<ul id="8p6jw"></ul>
<blockquote id="8p6jw"></blockquote>
  • <div id="8p6jw"></div>
    1. hydrotechnik

      Hydrotechnik MINIMESS® 1620 Test Point Introduction

      Test Points 1620
      Hydrotechnik in china
      Test point 1620 download

      Test Points 1620 for use

       The original and still the market leader, MINIMESS® 1620 pressure test points offer the most advanced sealing system available.
      A lifetime leak free guarantee and suitability for almost any fluid or gas makes MINIMESS® the natural choice to specify.
       A user list throughout the world reads as a who’s who of industry from mobile plant to steel and gas production.
       MINIMESS® 1620 or ‘Test 20’ is the most commonly used test point across all industries.The wide range of choice in materials and threads make this the most commonly used test point.
       Max. working pressure 63 MPa (630 bar) according to ISO 15171-2 .

       Material
      Coupling body and metal cap made of steel 1.0718
      Note: Unless stated otherwise, all products shown in this catalogueare made of free-cutting steel 1.0718

       Sealing
      Internal primary- and secondary sealing as well as sealing for screw-in threads are made of NBR (Perbunan). Option in FKM (Viton).
       Vibration
      NBR (Perbunan) and/or FKM (Viton) O-ring to prevent cap loosening due to vibration.
       Screw-in thread Large range of threads are available.
       Media application
      Suitable for hydraulic- and other oils on mineral oil basis
       Temperature ranges at applications with metal cap (standard)
      Sealing made of NBR (Perbunan): -25 °C to +100 °C,for a short time, can be also used up to +120 °C
      Sealing made of FKM (Viton) as option: -20 °C to +200 °C
      Application with plastic cap (option) and for both sealing materials: -20 °C to +100 °C
      Application for low temperature: -54 °C on request

      Hydrotechnik MINIMESS® 1620 Test Point Technical data and Part-NO.

      Tor-que

      Nm
      Technical data

      Material:
      Free cutting steel
      1.0718

      Material:
      Free cutting steel
      1.0718

      Material:
      Stainless steel
      1.4571
      Thread G Type of seal
      A
      p max H
      mm
      i
      mm
      SW
      mm
      with NBR -sealing with NBR -sealing with FKM -sealing
      M 8 x 1 Form G 6 25 MPa 41 8,5 17 2103-01-32.00 2103-30-32.00 on request
      M 10 x 1 Form G 12 63 MPa 37,5 8,5 17 2103-01-33.00 2103-30-33.00 2703-01-33.10
      M 12 x 1,5 Form F 30 63 MPa 36 10 17 2103-01-13.00 2103-30-13.00 on request
      M 14 x 1,5 Form F 40 63 MPa 36 10 19 2103-01-14.00 2103-30-14.00 2703-01-14.10
      M 16 x 1,5 Form F 60 63 MPa 36 10 22 2103-01-15.00 2103-30-15.00 on request
      M 14 x 1,5 Form E 45 63 MPa 35,5 11 19 2103-01-96.00 2103-30-96.00 on request
      ISO 228-G 1/8 Form F 18 40 MPa 38 8 17 2103-01-17.00 2103-30-17.00 2703-01-17.10
      ISO 228-G 1/4 Form F 40 63 MPa 36 10 19 2103-01-18.00 2103-30-18.00 2703-01-18.10
      ISO 228-G 3/8 Form F 60 63 MPa 36 10 22 2103-01-16.00 2103-30-16.00 on request
      1/8 NPTF Form H 40 MPa 33 9,5 17 2103-01-46.00 2103-30-46.00 on request
      1/4 NPTF Form H 63 MPa 33 16,5 17 2103-01-47.00 2103-30-47.00 2703-01-47.10
      7/16-20 UNF Form E 20 63 MPa 37 9 17 2103-01-21.00 2103-30-21.00 on request
      9/16-18 UNF Form E 35 63 MPa 36 10 19 2103-01-53.00 2103-30-53.00 on request
      ISO 7/I-R 1/8 Form C 40MPa 33 13 17 2103-01-40.00 2103-30-40.00 on request
      ISO 7/I-R 1/4 Form C 63 MPa 33 13 17 2103-01-41.00 2103-30-41.00 on request
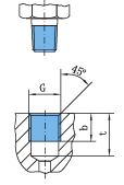
      Hydrotechnik MINIMESS® 1620 Test Point Type of seal A
      Form C Form G Form H
      Thread port according to DIN 3852 part 1 and part 2, form Z (sealed with suitable sealant) Thread Port according to HYDROTECHNIK standard N901-01-14 (sealed with O-ring) Thread Port according to ANSI/ASME B 1.20.1-1983 (self sealing thread)
      G b t
      ISO 7 / I - R1/8 5,5 9,5
      ISO 7 / I - R1/4 8,5 13,5
           
      G d b t
      M 8 x 1 9,5 9,0 13,0
      M 10 x 1 11,5 9,0 13,0
             
      G b
      1/8 NPTF 12,0
      1/4 NPTF 17,5
      1/2 NPTF 22,9
      Form E Form F / B
      Thread port according to SAEJ 514 (UNF) or according to ISO 6149-1 (sealed with O-ring) Thread Port up to Ø d according to DIN 3852 part 1 and part 2, from X (sealed with flat seal or sealing edge)
      SAE J 514 (UNF)
      G d1 d2 b k t a
      7/16-20 UNF 21,0 12,4 11,5 2,4 14,0 1,6 12,0
      1/2-20 UNF 23,0 14,0 11,5 2,4 14,0 1,6 12,0
      9/16-18 UNF 25,0 15,6 12,7 2,5 15,5 1,6 12,0
      3/4-16 UNF 30,0 20,6 14,3 2,5 17,5 2,4 15,0
      ISO 6149-1
      M 10 x 1 19,0 11,1 10,0 1,6 11,5 1,0 12,0
      M 12 x 1,5 19,0 13,8 11,5 2,4 14,0 1,5 15,0
      M 14 x 1,5 21,0 15,8 11,5 2,4 14,0 1,5 15,0
      M 16 x 1,5 24,0 17,8 13,0 2,4 15,5 1,5 15,0
      G d a b t
      ISO 228-G 1/8 15,0 1,0 8,0 13,0
      ISO 228-G 1/4 20,0 1,5 12,0 18,5
      ISO 228-G 3/8 23,0 2,0 12,0 18,5
      ISO 228-G 1/2 27,0 2,5 14,0 22,0
      M 12 x 1,5 18,0 1,5 12,0 18,5
      M 14 x 1,5 20,0 1,5 12,0 18,5
      M 16 x 1,5 22,0 1,5 12,0 18,5

       

      <ul id="8p6jw"></ul>
      <blockquote id="8p6jw"></blockquote>
    2. <div id="8p6jw"></div>